通风柜环氧树脂台面
通风柜环氧树脂台面是一种具有挡水功能的蝶形台面,它是用环氧树脂板材制成。由于能够阻挡各种化学物质的溢出,从而保证了通风柜的内部柜体不会受到腐蚀性液体的直接接触,提高了通风柜的安全性,保证了人员安全。

实验室环氧台面
实验室环氧树脂边条
联系我们
通风柜环氧树脂台面
环氧树脂板材
关于我们
环氧树脂水槽
特点
- 耐腐蚀性能优异,能抵抗各种强酸强碱和有机溶剂。
- 4边挡水边设计,挡水高度从5-15毫米,满足多种通风柜挡水要求。
- 尺寸变化灵活,能够适应各种尺寸的通风柜。
- 具备抗高温,普通款能耐受 150℃ ,特殊款可达 200℃。
- 无缝拼接设计,日常清洁轻松简单。
- 安全环保,具备很强阻燃的性能。
- 和理化板相比较,环氧树脂台面不怕潮湿的工作环境,它经久耐用,出现划痕可打磨修复。

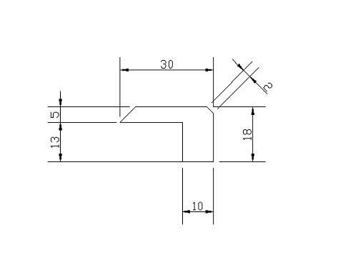
挡水边细节


正因这些特性,蝶形环氧树脂台面在科研、工业实验室以及各类检测机构中发挥着重要作用,为实验人员打造稳定、安全的实验操作平台,大幅提升实验效率与质量。
专业通风柜蝶形台面供应商

