环氧树脂边条
- 环氧树脂边条耐酸碱等化学物质,能在复杂环境中长久使用。
- 源于环氧树脂含有的极性羟基与醚键,固化收缩小,易于粘贴,能紧密附着如环氧板材,理化板,陶瓷板,木板等多种材质。
- 耐腐蚀边条机械强度高,可承受重压与冲击,不易断裂、变形。在实验室家具中,用环氧挡水边条可以制作蝶形台面,使得蝶形台面的生产变得简单,快捷。


环氧树脂台面
实验室环氧边条
联系我们
通风柜环氧树脂台面
环氧树脂板材
环氧树脂水盆
关于我们
耐腐蚀边条的应用

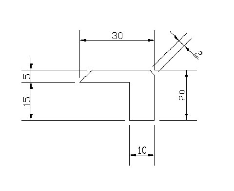
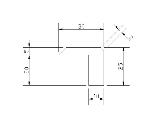
产品规格
| 项目 | 内容 |
| 耐腐蚀环氧树脂边条 | 环氧树脂,硅粉,颜料,助剂 |
| 型号 | EDG12.7 |
| 规格 | 3200/18/30 |
| 应用场景 | 为12.7厚理化板设计,解决理化板挡水问题 |
| 型号 | EDG20 |
| 规格 | 3200×25/30 |
| 应用场景 | 适合为20毫米厚度的理化板,环氧板,陶瓷板封边档水 |
| 型号 | EDG15 |
| 规格 | 3200×20/30 |
| 应用场景 | 适合为15毫米厚度的理化板,环氧板,陶瓷板封边挡水 |
| 颜色 | 黑,白,灰 |
| 档水凸起高度 | 5毫米 |
| 最小起订量 | 30条 |



边条包装

